Skip to content
Home
Art
Commissions
Docs
Protogens
Videos
Music
About
Search
Ctrl
K
Cancel
← Back to Main Site
Getting Started
Welcome
Protocontroller
V1.1
Overview
Information
Schematic
Board Layout
Wiring
V2
Overview
Information
Schematic
Board Layout
Wiring
Kits
HUB75 Kit
Overview
Wiring
LED Panels
SmartLED Shield
Sensors
WS35 Kit
Overview
Wiring
LED Panels
Sensors
Software
Overview
ProtoTracer
Overview
Getting Started
Compiling & Uploading
Voice Calibration
Firmware Uploader
Customization
PTX Engine (WIP)
Resources
Protogen Electronics
ProtoTracer Helpers
3D Print Files
Files & Downloads
Files & Downloads
Discord
GitHub
Bluesky
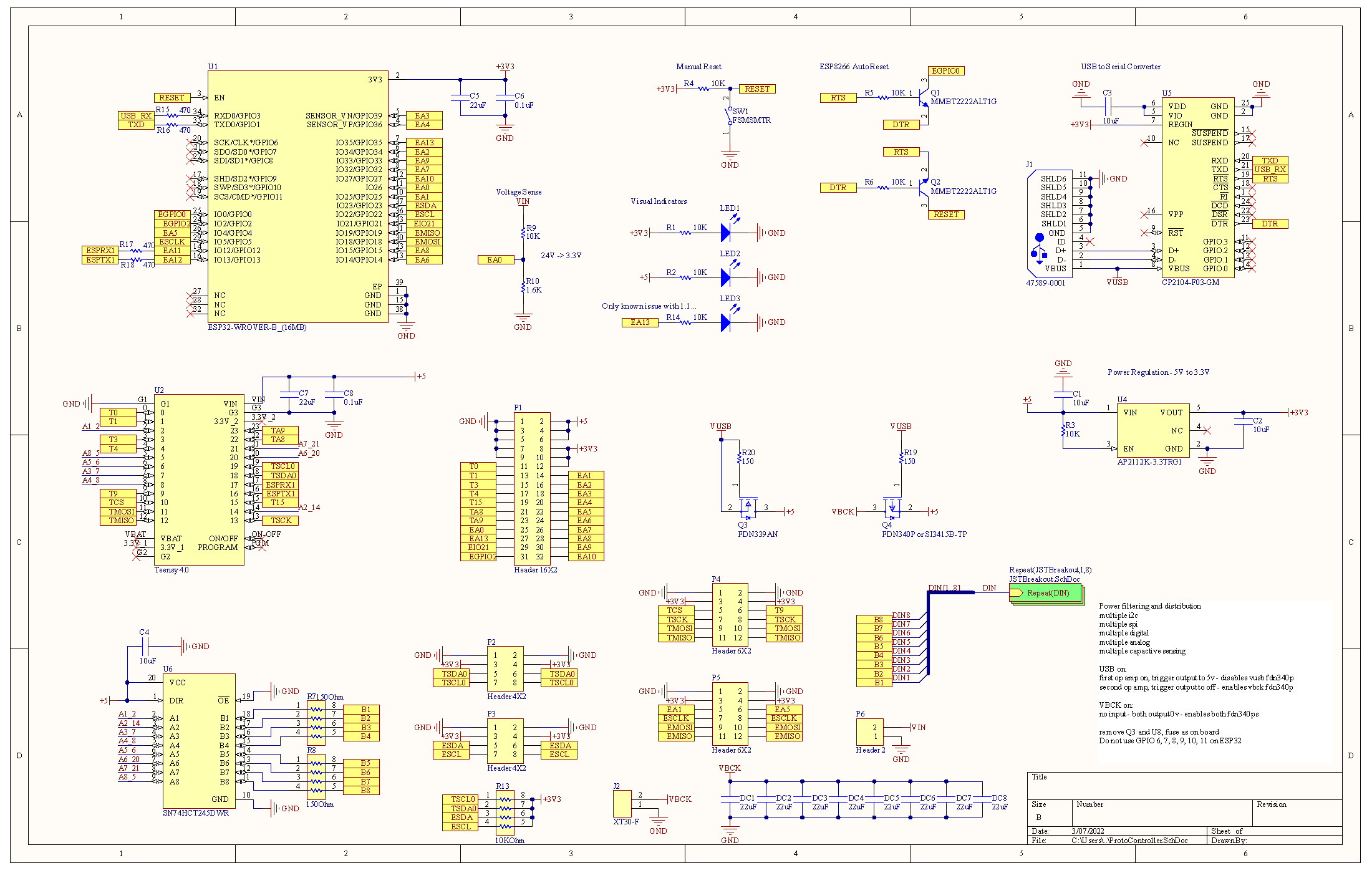
Schematic
Protocontroller V1.1 Schematic
Section titled “Protocontroller V1.1 Schematic”